FUTEK TRH605 動態(tài)扭矩傳感器
類型:動態(tài)
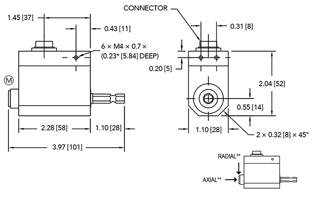
型號:TRH605
行業(yè):雪鞋測試、電阻點焊、軟管膨脹壓力測量
型號:TRH605
行業(yè):雪鞋測試、電阻點焊、軟管膨脹壓力測量






| 量程 | 0.5,1,2,6,12,18 N |
| 非線性 | ±0.2% of RO |
| 遲滯性 | ±0.1% of RO |
| 不可重復性 | ±0.2% of RO |
| 轉速 | 最大7000 RPM |
| 帶寬 | 3 kHz |
| 額定輸出 | ±5 VDC |
| 激勵 | 11-26 VDC |
| 接頭 | 12 針 Binder Series #581 (09-0331-90-12) |
| 重量 | 0.35 kg |
| 過載保護 | 150% of RO |
| 材質 | 鋁合金,鋼合金 |
| 防護等級 | IP40 |
| 操作溫度 | -25 to +80 ℃ |
| 補償溫度 | 5 to +50 ℃ |
| 溫度漂移零點 | 0.02% of RO/℃ |
| 溫度漂移范圍 | 0.02% of Load/℃ |
| 標定電壓 | 12 VDC |




電話020-85262155
郵箱sales@omgl.com.cn